Product Series
推薦產品
河南華東起重機械設備公司
服務熱線:400 086 9590
公司:河南華東起重機械設備有限公司
聯系人:賈經理
聯系電話:13903802779
地址:河南新鄉市封丘縣起重機工業園區
當前位置: 起重機 > 起重機文章
EYWZ系列電力液壓鼓式制動器EYWZ電力液壓鼓式剎車抱閘
時間:2024-01-23來源:起重機制動器廠家瀏覽次數:1
制動器產品介紹
EYWZ系列電力液壓鼓式制動器型號規格有:EYWZ-200/E23、EYWZ-200/E50、EYWZ-250/E50、EYWZ-315/E50、EYWZ-315/E80等。主要用于起重機大車行走機構的制動和皮帶運輸機的工作制動,該系列制動器為兩級制動式制動 裝置,第二級的制動時間可通過單向調速閥進行調整,制動平穩,安全可靠。
制動器產品說明
產品名稱:電力液壓鼓式制動器
別名別稱:制動剎車/抱閘
型號規格:EYWZ系列型
所屬類別:鼓式制動器
產品產地:河南新鄉/焦作
生產廠家:多廠家
是否定制:是
是否現貨:部分現貨
生產周期:3~10天
供貨范圍:全國
送達方式:自提或物流托運
是否安裝:安裝另議
售后方式:一年保修
發貨地區:河南長垣
制動器產品圖冊

制動器相關參數
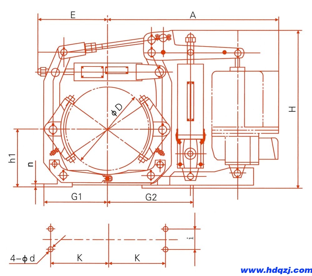
EYWZ系列電力液壓鼓式制動器外形尺寸圖

電力液壓鼓式制動器技術參數
| 制動力矩 | D | A | E | H | h1 | G1 | G2 | – | K | n | d | |||
| 匹配推動器 | 第一步制動 | 第二步制動 | 總制動力矩 | |||||||||||
| Ed23/5 | 35-80 | 80-150 | 230 | 200 | 490 | 190 | 520 | 160 | 165 | 265 | 55 | 145 | 10 | 14 |
| Ed50/6 | 120-250 | 120-250 | 500 | 200 | 535 | 190 | 560 | 160 | 165 | 265 | 55 | 145 | 10 | 14 |
| Ed50/6 | 160-315 | 160-315 | 630 | 250 | 580 | 225 | 590 | 190 | 200 | 300 | 65 | 180 | 12 | 18 |
| Ed50/6 | 200-400 | 200-400 | 800 | 315 | 655 | 270 | 620 | 230 | 245 | 330 | 80 | 220 | 12 | 18 |
| Ed80/6 | 315-630 | 315-630 | 1260 | 315 | 655 | 270 | 620 | 230 | 245 | 330 | 80 | 220 | 12 | 18 |
制動器符合標準:
★安裝尺寸DIN15435和JB/T6406.1-92標準。技術條件符合JB6406.2-92標準。
制動器主要特點:
★制動平穩,安全可靠;
★主要擺動較點設自潤滑軸承,傳動效率高,壽命長;
★制動力矩直接顯示;
★等退距裝置,避免制動襯墊浮貼制動輪。
等退距裝置,避免制動襯墊浮貼制動輪。
EYWZ系列電力液壓鼓式制動器貨源產地、生產廠家還為用戶提供電磁鼓式制動器、盤式制動器、防風制動器、防爆/隔爆制動器、輪邊制動器、液壓/氣動直動制動器成套和推動器、驅動裝置(液壓罐、制動器電機)、制動瓦塊、制動器架子等零部件的設計制造(定制)和配件批發零售、安裝修理維修服務,更多制動器產品規范標準、特性/選型、技術參數、制動力矩、退距、外形尺寸、常見問題以及價格報價請咨詢客服。
-
23
2024-01
EYWZ系列電力液壓鼓式制動器EYWZ電力液壓鼓式剎車抱閘
制動器產品介紹 EYWZ系列電力液壓鼓式制動器型號規格有:EYWZ-200/E23、EYWZ-200/E50、EYWZ-250/E50、EYWZ-315/E50、EYWZ-315/E80等。主要用于起重機大車行走機構的制動和皮帶運輸機的工作制動,該系列制動器為兩級制動式制動 裝置,第二級的制動時間可通過單向調速閥進行調整,制動平穩,安全可靠。制動器產品說明產品名稱:電力液壓鼓式制動器別...詳細
-
23
2024-01
YWP系列電力液壓鼓式制動器YWP電力液壓鼓式剎車抱閘
制動器產品介紹 YWP系列電力液壓鼓式制動器型號規格有:YWP160-220、YWP200-220、YWP200-300、YWP250-220、YWP250-300、YWP250-500、YWP315-300、YWP315-500、YWP315-800、YWP400-500、YWP400-800、YWP400-1250、YWP500-800、YWP500-1250、YWP500-200...詳細
-
23
2024-01
YWZ(12)系列電力液壓鼓式制動器YWZ(12)電力液壓鼓式剎車抱閘
制動器產品介紹 YWZ12系列電力液壓鼓式制動器型號規格有:YWZ12-200/23S、YWZ12-200/30S、YWZ12-250/23S、YWZ12-250/30S、YWZ12-250/50S、YWZ12-315/30S、YWZ12-315/50S、YWZ12-315/80S、YWZ12-400/50S、YWZ12-400/80S、YWZ12-400/121S、YWZ12-500...詳細
-
23
2024-01
YWZ(10)系列電力液壓鼓式制動器YWZ(10)電力液壓鼓式剎車抱閘
制動器產品介紹 YWZ10系列電力液壓鼓式制動器型號規格有:YWZ10-200/E23、YWZ10-200/E30、YWZ10-250/E23、YWZ10-250/E30、YWZ10-250/E50、YWZ10-315/E30、YWZ10-315/E50、YWZ10-315/E80、YWZ10-400/E50、YWZ10-400/E80、YWZ10-400/E121、YWZ10-500...詳細
-
23
2024-01
YW-E二級電力液壓鼓式制動器YW-E型電力液壓鼓式剎車抱閘
制動器產品介紹 YW-E二級電力液壓鼓式制動器型號規格有:YW-E200/E23、YW-E200/E30、YW-E200/E50、YW-E250/E50、YW-E315-E50、YW-E315-E80、YW-E400-E80型等,鼓式制動器廣泛用于起重機械、運輸、冶金、港口、碼頭、建筑機械等機械驅動裝置的減速或制動。根據用戶要求,可生產各種常開、防爆及非標制動器產品。 制...詳細
-
23
2024-01
YW-L型電力液壓鼓式制動器YW-L型電力液壓鼓式剎車抱閘
制動器產品介紹 YW-L型電力液壓鼓式制動器型號規格有:YW-L-200/E23、YW-L-200/E30、YW-L-250/E23、YW-L-250-E30、YW-L-250-E50、YW-L-315-E23、YW-L-315-E30、YW-L-315-E50、YW-L-315-E80、YW-L-400-E30、YW-L-400-E50、YW-L-400-E80、YW-L-400-E...詳細




















