Product Series
推薦產品
河南華東起重機械設備公司
服務熱線:400 086 9590
公司:河南華東起重機械設備有限公司
聯系人:賈經理
聯系電話:13903802779
地址:河南新鄉市封丘縣起重機工業園區
當前位置: 起重機 > 起重機文章
YWZ(10)系列電力液壓鼓式制動器YWZ(10)電力液壓鼓式剎車抱閘
時間:2024-01-23來源:起重機制動器廠家瀏覽次數:1
制動器產品介紹
YWZ10系列電力液壓鼓式制動器型號規格有:YWZ10-200/E23、YWZ10-200/E30、YWZ10-250/E23、YWZ10-250/E30、YWZ10-250/E50、YWZ10-315/E30、YWZ10-315/E50、YWZ10-315/E80、YWZ10-400/E50、YWZ10-400/E80、YWZ10-400/E121、YWZ10-500/E80、YWZ10-500/E121、YWZ10-500/E201、YWZ10-630/E121、YWZ10-630/E201、YWZ10-630/E301、YWZ10-630/E301/12、YWZ10-710/E201、YWZ10-710/E301、YWZ10-710/E301/12、YWZ10-800/E301/12等。注:YWZ3B、YWZ5、YWZ9、YWZ10可互換,其安裝尺寸和制動力矩符合GB6333-1986,技術要求符合JB/T6406.2-1992標準.YWZ3B匹配YT1型推動器,YWZ3B推動器換成Ed推動器成YWZ10、YWZ5、YWZ9、YWZ10匹配Ed型推動器。YWZ5、YWZ9彈簧在側面,彈簧布置在彈簧管內,附有制動力矩標尺,YWZ9有退距均等裝置,可加裝制動襯塊磨損自動補償裝置。
制動器產品說明
產品名稱:電力液壓鼓式制動器
別名別稱:制動剎車/抱閘
型號規格:YWZ(10)系列型
所屬類別:鼓式制動器
產品產地:河南新鄉/焦作
是否定制:是
是否現貨:部分現貨
生產周期:3~10天
供貨范圍:全國
送達方式:自提或物流托運
是否安裝:安裝另議
售后方式:一年保修
發貨地區:河南省長垣市
制動器產品圖冊

制動器相關參數
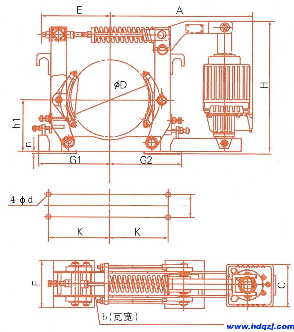
YWZ10系列電力液壓鼓式制動器型號意義圖

YWZ10系列電力液壓鼓式制動器外形尺寸圖

| 制動力矩 (N.m) | 退距 (mm) | A | b | C | D | d | E | F | G1 | G2 | H | h1 | i | K | n | 重量 (kg) | ||||||||||||||||
| 80-130 | 1 | 445 | 80 | 160 | 200 | 14 | 230 | 100 | 230 | 230 | 485 | 160 | 55 | 145 | 12 | 55 | ||||||||||||||||
| 80-200 | 59 | |||||||||||||||||||||||||||||||
| 100-170 | 1 | 550 | 100 | 160 | 250 | 18 | 260 | 120 | 260 | 260 | 530 | 190 | 65 | 180 | 14 | 69 | ||||||||||||||||
| 100-240 | 72 | |||||||||||||||||||||||||||||||
| 220-500 | 195 | |||||||||||||||||||||||||||||||
| 230-280 | 1.2 | 600 | 125 | 160 | 315 | 18 | 350 | 130 | 320 | 320 | 620 | 225 | 80 | 220 | 16 | 105 | ||||||||||||||||
| 430-550 | 195 | 108 | ||||||||||||||||||||||||||||||
| 430-1050 | 110 | |||||||||||||||||||||||||||||||
| 510-650 | 1.3 | 710 | 160 | 195 | 400 | 22 | 375 | 160 | 375 | 375 | 685 | 280 | 100 | 270 | 18 | 175 | ||||||||||||||||
| 510-1100 | 180 | |||||||||||||||||||||||||||||||
| 820-1800 | 240 | 197 | ||||||||||||||||||||||||||||||
| 970-1200 | 1.5 | 760 | 200 | 195 | 500 | 27 | 440 | 190 | 440 | 440 | 820 | 335 | 130 | 325 | 20 | 200 | ||||||||||||||||
| 970-2000 | 240 | 213 | ||||||||||||||||||||||||||||||
| 1500-3200 | 213 | |||||||||||||||||||||||||||||||
| 1200-2100 | 1.7 | 830 | 250 | 240 | 630 | 27 | 560 | 240 | 540 | 540 | 1110 | 425 | 170 | 400 | 28 | 434 | ||||||||||||||||
| 2000-3600 | 434 | |||||||||||||||||||||||||||||||
| 2800-5300 | 435 | |||||||||||||||||||||||||||||||
| 3500-7000 | 2 | 950 | 444 | |||||||||||||||||||||||||||||
| 2300-4000 | 1.8 | 915 | 280 | 240 | 710 | 27 | 650 | 260 | 610 | 610 | 1095 | 475 | 190 | 450 | 28 | 624 | ||||||||||||||||
| 3100-6000 | 624 | |||||||||||||||||||||||||||||||
| 4000-8000 | 2 | 1070 | 684 | |||||||||||||||||||||||||||||
| 5300-9000 | 2 | 1130 | 320 | 240 | 800 | 27 | 700 | 680 | 680 | 1300 | 530 | 210 | 520 | 28 |
注:YWZ3B、YWZ5、YWZ9、YWZ10可互換,其安裝尺寸和制動力矩符合GB6333-1986,技術要求符合JB/T6406.2-1992標準.YWZ3B匹配YT1型推動器,YWZ3B推動器換成Ed推動器成YWZ10、YWZ5、YWZ9、YWZ10匹配Ed型推動器。YWZ5、YWZ9彈簧在側面,彈簧布置在彈簧管內,附有制動力矩標尺,YWZ9有退距均等裝置,可加裝制動襯塊磨損自動補償裝置。
YWZ10系列電力液壓鼓式制動器貨源產地、生產廠家還為用戶提供電磁鼓式制動器、盤式制動器、防風制動器、防爆/隔爆制動器、輪邊制動器、液壓/氣動直動制動器成套和推動器、驅動裝置(液壓罐、制動器電機)、制動瓦塊、制動器架子等零部件的設計制造(定制)和配件批發零售、安裝修理維修,更多制動器型號規格、技術參數、產品選型、制動力矩、退距、規范標準、常見問題以及價格報價請咨詢客服。
-
23
2024-01
EYWZ系列電力液壓鼓式制動器EYWZ電力液壓鼓式剎車抱閘
制動器產品介紹 EYWZ系列電力液壓鼓式制動器型號規格有:EYWZ-200/E23、EYWZ-200/E50、EYWZ-250/E50、EYWZ-315/E50、EYWZ-315/E80等。主要用于起重機大車行走機構的制動和皮帶運輸機的工作制動,該系列制動器為兩級制動式制動 裝置,第二級的制動時間可通過單向調速閥進行調整,制動平穩,安全可靠。制動器產品說明產品名稱:電力液壓鼓式制動器別...詳細
-
23
2024-01
YWP系列電力液壓鼓式制動器YWP電力液壓鼓式剎車抱閘
制動器產品介紹 YWP系列電力液壓鼓式制動器型號規格有:YWP160-220、YWP200-220、YWP200-300、YWP250-220、YWP250-300、YWP250-500、YWP315-300、YWP315-500、YWP315-800、YWP400-500、YWP400-800、YWP400-1250、YWP500-800、YWP500-1250、YWP500-200...詳細
-
23
2024-01
YWZ(12)系列電力液壓鼓式制動器YWZ(12)電力液壓鼓式剎車抱閘
制動器產品介紹 YWZ12系列電力液壓鼓式制動器型號規格有:YWZ12-200/23S、YWZ12-200/30S、YWZ12-250/23S、YWZ12-250/30S、YWZ12-250/50S、YWZ12-315/30S、YWZ12-315/50S、YWZ12-315/80S、YWZ12-400/50S、YWZ12-400/80S、YWZ12-400/121S、YWZ12-500...詳細
-
23
2024-01
YWZ(10)系列電力液壓鼓式制動器YWZ(10)電力液壓鼓式剎車抱閘
制動器產品介紹 YWZ10系列電力液壓鼓式制動器型號規格有:YWZ10-200/E23、YWZ10-200/E30、YWZ10-250/E23、YWZ10-250/E30、YWZ10-250/E50、YWZ10-315/E30、YWZ10-315/E50、YWZ10-315/E80、YWZ10-400/E50、YWZ10-400/E80、YWZ10-400/E121、YWZ10-500...詳細
-
23
2024-01
YW-E二級電力液壓鼓式制動器YW-E型電力液壓鼓式剎車抱閘
制動器產品介紹 YW-E二級電力液壓鼓式制動器型號規格有:YW-E200/E23、YW-E200/E30、YW-E200/E50、YW-E250/E50、YW-E315-E50、YW-E315-E80、YW-E400-E80型等,鼓式制動器廣泛用于起重機械、運輸、冶金、港口、碼頭、建筑機械等機械驅動裝置的減速或制動。根據用戶要求,可生產各種常開、防爆及非標制動器產品。 制...詳細
-
23
2024-01
YW-L型電力液壓鼓式制動器YW-L型電力液壓鼓式剎車抱閘
制動器產品介紹 YW-L型電力液壓鼓式制動器型號規格有:YW-L-200/E23、YW-L-200/E30、YW-L-250/E23、YW-L-250-E30、YW-L-250-E50、YW-L-315-E23、YW-L-315-E30、YW-L-315-E50、YW-L-315-E80、YW-L-400-E30、YW-L-400-E50、YW-L-400-E80、YW-L-400-E...詳細




















