推薦產品
河南華東起重機械設備公司
服務熱線:400 086 9590
公司:河南華東起重機械設備有限公司
聯系人:賈經理
聯系電話:13903802779
地址:河南新鄉市封丘縣起重機工業園區
當前位置: 起重機 > 技術資料 > 起重機百科
HZA-Ⅰ阻尼器HZA-Ⅱ防撞緩沖器HZA-Ⅲ彈性阻尼緩沖器
時間:2024-01-20來源:彈性阻尼緩沖器廠家瀏覽次數:1
阻尼緩沖器介紹
彈性阻尼緩沖器主要型號有HZA-Ⅰ、HZA-Ⅱ、HZA-Ⅲ系列型,適用范圍:
1.起重行業:應用于各類橋、門式起重機,港口機械等大型設備的防撞緩沖;
2.鐵路運輸行業:應用于機車端部的防撞和機車車輛的車鉤處的緩沖等;
3.冶金行業:主要應用于軋機的軋輥平衡分離,各類固定擋板,活動擋板緩沖,各種平車、臺車、活動銀等端部的緩沖。
阻尼緩沖器說明
產品名稱:彈性阻尼緩沖器
別名別稱:防撞緩沖/碰頭
型號規格:HZA-Ⅰ/Ⅱ/Ⅲ型
所屬類別:起重安全保護裝置
產品產地:河南新鄉
是否定制:是
是否現貨:部分現貨
生產周期:3~10天
供貨范圍:全國
送達方式:自提或物流托運
是否安裝:安裝另議
售后方式:一年保修
發貨地區:河南長垣
阻尼緩沖器圖片

阻尼緩沖器參數
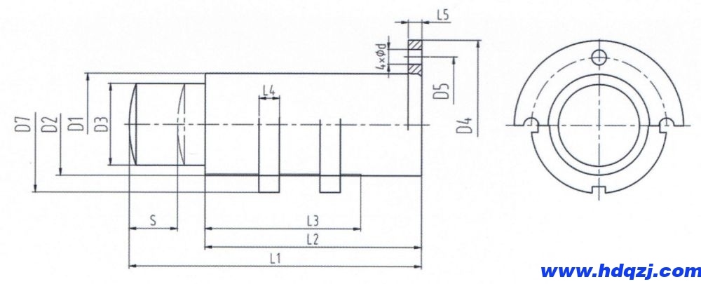
HZA-Ⅰ型彈性阻尼緩沖器
HZA-Ⅰ型彈性阻尼緩沖器外形尺寸圖 ![]() | ||||||||||||||||
| HZA-Ⅰ型彈性阻尼緩沖器參數對照表 | ||||||||||||||||
| 序號 | 型號 | L1 mm | L2 mm | L3 mm | L4 mm | L5 mm | D1 mm | D2 mm | D3 mm | D4 mm | D5 mm | d mm | D7 mm | EN kj | mm | Fmax Kn |
| 1 | HZA-I-0.1 | 75 | 53 | 52 | 7 | 10 | 25 | M25*1.5 | 19 | 57 | 41 | 7 | 38 | 0.10 | 12 | 11 |
| 2 | HZA-I-0.43 | 120 | 98 | 96 | 8 | 12 | 35 | M35*1.5 | 25 | 80 | 60 | 9 | 52 | 0.43 | 22 | 27 |
| 3 | HZA-I-0.85 | 162 | 112 | 70 | 12 | 8 | 50 | M50*1.5 | 36 | 90 | 70 | 9 | 68 | 0.85 | 30 | 42 |
| 4 | HZA-I-1.5 | 192 | 130 | 90 | 13 | 10 | 60 | M60*2 | 45 | 106 | 85 | 11 | 81 | 1.50 | 40 | 60 |
| 5 | HZA-I-3.3 | 216 | 150 | 100 | 15 | 10 | 75 | M75*2 | 60 | 125 | 100 | 11 | 100 | 3.30 | 50 | 90 |
| 6 | HZA-I-6 | 272 | 186 | 100 | 18 | 10 | 95 | M95*2 | 75 | 150 | 120 | 11 | 120 | 6.00 | 65 | 150 |
| 7 | HZA-I-12 | 337 | 217 | 100 | 18 | 14 | 110 | M110*2 | 92 | 165 | 140 | 13 | 140 | 12.00 | 80 | 220 |
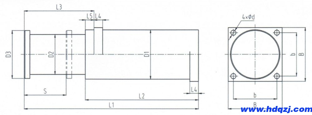
HZA-Ⅱ型彈性阻尼緩沖器
HZA-Ⅱ型彈性阻尼緩沖器外形尺寸圖 ![]() | |||||||||||||||
| HZA-Ⅱ型參數對照表 | |||||||||||||||
| 序號 | 型號 | L1 mm | L2 mm | L3 mm | L5 mm | L4 mm | B mm | b mm | D1 mm | D2 mm | D3 mm | d mm | EN kj | C mm | Fmax Kn |
| 1 | HZA-Ⅱ-14 | 360 | 240 | 180 | 25 | 20 | 224 | 180 | 200 | 170 | 180 | 22 | 14 | 100 | 200 |
| 2 | HZA-Ⅱ-20 | 380 | 240 | 200 | 25 | 20 | 280 | 224 | 240 | 200 | 220 | 22 | 20 | 110 | 280 |
| 3 | HZA-Ⅱ-25 | 415 | 275 | 140 | 30 | 20 | 135 | 105 | 116 | 92 | 115 | 14 | 25 | 100 | 325 |
| 4 | HZA-Ⅱ-50 | 500 | 325 | 175 | 33 | 25 | 155 | 125 | 142 | 115 | 138 | 15 | 50 | 120 | 540 |
| 5 | HZA-Ⅱ-75 | 520 | 315 | 205 | 36 | 30 | 175 | 140 | 160 | 132 | 158 | 18 | 75 | 140 | 700 |
| 6 | HZA-Ⅱ-100 | 585 | 350 | 235 | 40 | 35 | 215 | 170 | 180 | 153 | 185 | 22 | 100 | 160 | 820 |
| 7 | HZA-Ⅱ-150 | 670 | 405 | 265 | 45 | 40 | 250 | 195 | 215 | 182 | 220 | 26 | 150 | 180 | 1100 |
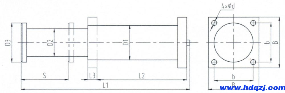
HZA-Ⅲ型彈性阻尼緩沖器
HZA-Ⅲ型彈性阻尼緩沖器外形尺寸圖 ![]() | |||||||||||||||
| HZA-Ⅲ型參數對照表 | |||||||||||||||
| 序號 | 型號 | L1 mm | L2 mm | L3 mm | L4 mm | B mm | b mm | D1 mm | D2 mm | D3 mm | d mm | EN kj | C mm | Fmax Kn | A |
| 1 | HZA-Ⅲ-12 | 480 | 295 | 20 | 12 | 110 | 85 | 75 | 60 | 85 | 11 | 12 | 150 | 100 | >0.8 |
| 2 | HZA-Ⅲ-25 | 620 | 380 | 28 | 12 | 135 | 105 | 90 | 75 | 105 | 14 | 25 | 200 | 150 | >0.8 |
| 3 | HZA-Ⅲ-50 | 855 | 530 | 30 | 15 | 175 | 140 | 110 | 90 | 140 | 16 | 50 | 275 | 230 | >0.8 |
| 4 | HZA-Ⅲ-100 | 1120 | 670 | 35 | 15 | 175 | 140 | 130 | 110 | 140 | 20 | 100 | 400 | 310 | >0.8 |
| 5 | HZA-Ⅲ-150 | 1350 | 785 | 45 | 20 | 215 | 170 | 140 | 120 | 170 | 22 | 150 | 500 | 380 | >0.8 |
| 6 | HZA-Ⅲ-250 | 1750 | 1035 | 45 | 20 | 215 | 170 | 155 | 135 | 170 | 22 | 250 | 650 | 490 | >0.8 |
| 7 | HZA-Ⅲ-400 | 2185 | 1260 | 50 | 25 | 265 | 210 | 175 | 150 | 210 | 27 | 400 | 850 | 600 | >0.8 |
| 8 | HZA-Ⅲ-600 | 2555 | 1430 | 50 | 25 | 265 | 210 | 200 | 175 | 210 | 27 | 600 | 1050 | 740 | >0.8 |
| 9 | HZA-Ⅲ-800 | 2935 | 1640 | 65 | 30 | 300 | 240 | 220 | 190 | 240 | 30 | 800 | 1200 | 860 | >0.8 |
| 10 | HZA-Ⅲ-1000 | 3225 | 1830 | 65 | 30 | 300 | 240 | 230 | 200 | 240 | 30 | 1000 | 1300 | 1000 | >0.8 |
彈性阻尼緩沖器工作原理
彈性阻尼緩沖器是以彈性膠體為主要緩沖材料的緩沖器。在沖擊力的作用下,活塞壓入引起彈性膠體內部摩擦力上升, 在力的作用下彈性膠體產生黏性摩擦,速度越大,黏性阻力越大。活塞壓入時,彈性膠體收縮當外力消失時,彈性膠體膨脹,活塞回到到原來的位置。因此彈性阻尼緩沖器,充分利用了彈性膠體可壓縮性及高粘性的特性,將瞬時沖擊動能轉化為勢能和熱能,并迅速釋放。
彈性阻尼緩沖器性能特點
1.儲能大、重量輕、抗沖擊強度高,緩沖過程平穩,吸能過程中對設備的附加力小;
2.耐高溫、抗腐蝕,無老化失效現象,在-50℃~+200℃環境溫度下可正常工作;
3.密封環節少,不宜泄漏,無需日常維護;
4.在長時間高頻度使用下,能自行動態調整沖擊動能轉換為熱能和彈性勢能的分配比例;
5.彈性阻尼緩沖器的吸能比最高可以達到95%,可為設備提供最優的保護。
彈性阻尼緩沖器安裝使用要求
1.該緩沖器應水平或垂直安裝,沖撞偏移角度應控制在≤±1;
2.該緩沖器使用的環境溫度為:-50℃~+200℃,如有特殊需求,訂貨時請注明;
3.當緩沖器發生碰撞而活塞桿沒有完全復位前禁止再次碰撞。
阻尼緩沖器廠家
彈性阻尼緩沖器生產廠家還為用戶提供聚氨酯緩沖器、液氣緩沖器、液壓緩沖器、彈簧緩沖器、電梯緩沖器、澆筑膠彈性體緩沖器、復合型緩沖器、橡膠緩沖器、單梁起重機/電動葫蘆碰頭等緩沖器產品的設計制造(定制配套)和半成品配件批發零售、安裝修理維修等服務,更多國標/非標/專用/新型緩沖器廠家品牌、型號規格、材質、技術參數、安裝尺寸圖紙、批發價格請咨詢客服。
-
20
2024-01
HZA-Ⅰ阻尼器HZA-Ⅱ防撞緩沖器HZA-Ⅲ彈性阻尼緩沖器
阻尼緩沖器介紹彈性阻尼緩沖器主要型號有HZA-Ⅰ、HZA-Ⅱ、HZA-Ⅲ系列型,適用范圍:1.起重行業:應用于各類橋、門式起重機,港口機械等大型設備的防撞緩沖;2.鐵路運輸行業:應用于機車端部的防撞和機車車輛的車鉤處的緩沖等;3.冶金行業:主要應用于軋機的軋輥平衡分離,各類固定擋板,活動擋板緩沖,各種平車、臺車、活動銀等端部的緩沖。阻尼緩沖器說明產品名稱:彈性阻尼緩沖器別名別稱:防撞緩沖/碰頭型號...詳細























