推薦產品
河南華東起重機械設備公司
服務熱線:400 086 9590
公司:河南華東起重機械設備有限公司
聯系人:賈經理
聯系電話:13903802779
地址:河南新鄉市封丘縣起重機工業園區
當前位置: 起重機 > 技術資料 > 起重機百科
BZDY隔爆型電動機BZDY大小車運行防爆電機(大盤)
時間:2024-01-19來源:防爆電機廠家瀏覽次數:1
防爆電機介紹
BZDY系列大盤隔爆型錐形轉子三相異步電動機主要型號有:BZDY112-4、BZDY121-4、BZDY(D)121-4、BZDY122-4、BZDY(D)122-4、BZDY131-4型,該系列電機常用于防爆單梁起重機大車運行、防爆電動葫蘆雙梁橋式起重機(防爆天車、吊機、行車)大小車運行機構配套使用。
防爆電機說明
產品名稱:BZDY12-4/31-4大盤隔爆型錐形轉子三相異步電動機
別名別稱:防爆電機/馬達
型號規格:BZDY系列
所屬類別:防爆起重運行電機
產品產地:河南
是否定制:是
動力形式:三相交流380V-50Hz
是否現貨:部分現貨
生產周期:3~10天
包裝形式:協議包裝形式
供貨范圍:全國
送達方式:自提或物流托運
是否安裝:安裝另議
售后方式:一年保修
發貨地區:新鄉長垣
防爆電機圖片

防爆電機參數
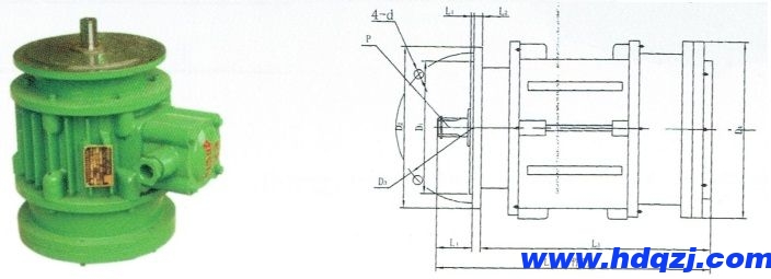
BZDY(D)12-4、BZDY(D)22-4、BZDY(D)31-4隔爆型錐形轉子三相異步電動機與外形安裝尺寸圖

BZDY(D)12-4、BZDY(D)22-4、BZDY(D)31-4隔爆型錐形轉子三相異步電動機與外形安裝尺寸表
| 型號 主要尺寸 | 功率 (KW) | D1 | D2 | D3 | D4 | L | L1 | L2 | L3 | L4 | d | p |
| BZDY (D)21-4 | 0.8 | Φ180h7 | Φ220 | Φ200 | Φ240 | 362 | 4 | 11 | 317 | 47 | Φ11 | 6D-25dc4x22d9x6dc6 |
| BZDY (D)22-4 | 1.5 | Φ180h7 | Φ220 | Φ200 | Φ240 | 385 | 4 | 11 | 348 | 47 | Φ11 | 6D-25dc4x22d9x6dc6 |
| BZDY (D)31-4 | 3.0 | Φ180h7 | Φ240 | Φ215 | Φ293 | 466 | 4 | 15 | 415 | 53 | Φ15 | 6D-28dc4x23d9x6dc6 |
BZDY系列大盤隔爆型錐形轉子三相異步電動機主要技術參數表
| 參數 型號 | 功率 KW | 轉速 r/min | 額定電流 A | 最大轉矩/ 額定轉矩 | 起動轉矩/ 額定轉矩 | 起動電流 A | 效率 η | 功率因素 | 制動力矩 N.m | 轉動慣量 kg.㎡ | 重量 kg |
| BZDY112-4 | 0.4 | 1380 | 1.25 | 2.0 | 2.0 | 7.0 | 0.67 | 0.73 | 1.43 | 0.017 | 21 |
| BZDY121-4 | 0.8 | 1380 | 2.4 | 2.5 | 2.5 | 13 | 0.70 | 0.72 | 8.036 | 0.036 | 48 |
| BZDY(D)121-4 | 0.8 | 1380 | 2.4 | 2.5 | 2.5 | 13 | 0.70 | 0.72 | 8.036 | 0.036 | 50 |
| BZDY122-4 | 1.5 | 1380 | 4.3 | 2.5 | 2.5 | 24 | 0.72 | 0.74 | 8.036 | 0.036 | 60 |
| BZDY(D)122-4 | 1.5 | 1380 | 4.3 | 2.5 | 2.5 | 24 | 0.72 | 0.74 | 8.036 | 0.036 | 62 |
| BZDY131-4 | 3.0 | 1380 | 7 | 2.0 | 2.0 | 33 | 0.79 | 0.85 | 42.10 | 93 |
BZDY系列防爆運行電動機(大小盤)主要技術參數表
| 參數 型號 | 功率 KW | 轉速 r/min | 額定電流 A | 最大轉矩/ 額定轉矩 | 起動轉矩/ 額定轉矩 | 起動電流 A | 制動力矩 N.m |
| BZDYS41-4/8 | 4.5/2 | 1400/700 | 11/6 | 2.8/1.8 | 2.8/1.8 | 70/45 | 35/26 |
| BZDYS3I-4/8 | 3/1 | 1380/690 | 7.5/3.5 | 2.8/1.8 | 2.8/1.8 | 50/25 | 19/14 |
| BZDYS31-4/8 | 1.5/0.75 | 1380/690 | 4/2.2 | 2.6/1.7 | 2.6/1.7 | 28/16 | 10/8 |
| BZDYS22-4/8 | 0.8/0.4 | 1380/690 | 2/1.2 | 2.6/1.7 | 2.6/1.7 | 14/8 | 8/3 |
錐形防爆電機技術參數表
| 項目 型號 | 額定功率(KW) | 額定電流(A) | 額定轉速 (r/min) | 起動轉矩 額定轉矩 | 起動電流(A) | 效率 (%) | 功率因素 (cosΦ) | 轉動慣量 | 制動力矩 (N.m) | ||||||
| 660V | 1140V | 380/660 | 660/1140 | 660V | 1140V | 380/660 | 660/1140 | ||||||||
| BZDY12-4 | 0.4 | 0.72 | 0.42 | 1.25/0.72 | 0.72/0.42 | 1380 | 2.0 | 4 | 2.4 | 7.0/4 | 4/2.4 | 0.67 | 0.73 | 0.017 | 1.43 |
| BZDY21-4小盤 | 0.8 | 1.4 | 0.8 | 2.4/1.4 | 1.4/0.8 | 1380 | 2.5 | 7.6 | 4.3 | 13/7.6 | 7.6/4.3 | 0.70 | 0.72 | 0.036 | 8.036 |
| BZDY21-4大盤 | |||||||||||||||
| BZDY22-4小盤 | 1.5 | 2.5 | 1.43 | 4.3/2.5 | 2.5/1.43 | 1380 | 2.5 | 14 | 8 | 24.0/14 | 14/8 | 0.72 | 0.74 | 0.036 | 8.036 |
| BZDY22-4大盤 | |||||||||||||||
| BZDY31-4小盤 | 3.0 | 4.4 | 2.53 | 7.6/4.4 | 4.4/2.53 | 1380 | 2.7 | 24.3 | 14 | 42/24.3 | 24.3/14 | 0.79 | 0.85 | 0.019 | 42.10 |
| BZDY31-4大盤 | |||||||||||||||
| BZDYS21-4/8小盤 | 0.4/0.2 | 2.7/1.6 | 1380/680 | 2.3/2.2 | 13/8 | 0.53/0.43 | 0.32/0.4 | 0.27 | 1.5/1.0 | ||||||
| BZDYS21-4/8大盤 | |||||||||||||||
| BZDYS22-4/8小盤 | 0.8/0.4 | 1.4/0.7 | 1380/690 | 2.6/1.7 | 10/3 | 0.56/0.41 | 0.32/0.38 | 0.055 | 8/3 | ||||||
| BZDYS22-4/8大盤 | |||||||||||||||
| BZDYS31-4/8小盤 | 1.5/0.75 | 2.5/1.3 | 1380/690 | 2.6/1.7 | 18/6 | 0.69/0.54 | 0.69/0.53 | 0.104 | 10/8 | ||||||
| BZDYS31-4/8大盤 | |||||||||||||||
| BZDYS32-4/8小盤 | 3.0/1.0 | 4.4/2 | 1380/690 | 2.8/1.8 | 30/9 | 0.68/0.58 | 0.81/0.58 | 0.208 | 19/14 | ||||||
| BZDYS32-4/8大盤 | |||||||||||||||
| BZD21-4 | 0.8 | 1.4 | 0.8 | 2.4/1.4 | 1.4/0.8 | 1380 | 2.5 | 7.6 | 4.3 | 13/7.6 | 7.6/4.3 | 0.70 | 0.72 | 0.030 | 11.0 |
| BZD22-4 | 1.5 | 2.5 | 1.43 | 4.3/1.5 | 1.5/1.43 | 1380 | 2.5 | 14 | 8 | 24/14 | 14/8 | 0.72 | 0.74 | 0.045 | 19.6 |
| BZD31-4 | 3.0 | 4.4 | 2.53 | 7.6/4.4 | 4.4/2.53 | 1380 | 2.7 | 24.3 | 14 | 42/24.3 | 24.3/14 | 0.78 | 0.77 | 0.130 | 42.14 |
| BZD32-4 | 4.5 | 6.4 | 3.7 | 11/6.4 | 6.4/3.7 | 1380 | 2.7 | 35 | 20.0 | 60.0/35 | 35/20.0 | 0.78 | 0.80 | 0.160 | 62.72 |
| BZD41-4 | 7.5 | 10.4 | 6 | 18.0/10.4 | 10.4/6 | 1380 | 3.0 | 58 | 33.1 | 100/58 | 58/33.1 | 0.79 | 0.80 | 0.390 | 98.0 |
| BZD51-4 | 13 | 17.3 | 10 | 30.0/17.3 | 17.3/10 | 1380 | 3.0 | 95 | 55 | 165/95 | 95/55 | 0.80 | 0.82 | 0.700 | 184.4 |
| BZD52-4 | 18.5 | 24.3 | 14 | 41.7/24.3 | 24.3/14 | 1380 | 3.0 | 133 | 76.1 | 229/133 | 133/76.1 | 0.82 | 0.82 | 1.120 | 225.4 |
| BZD62-6 | 18.5 | 27 | 15.3 | 46.7/27 | 27/15.3 | 930 | 3.2 | 162 | 92 | 295/176 | 176/97 | 0.85 | 0.86 | 1.8 | 390 |
防爆電機廠家
BZDY系列防爆單梁(防爆葫蘆雙梁)運行電動機生產廠家還提供防爆單速/雙速電動葫蘆主起升電機、防爆電動葫蘆運行電機、防爆單雙梁橋式門式起重機防爆電動機、防爆電動環鏈葫蘆主起升電動機和防爆運行電動機以及其他防爆起重機械設備配套使用的防爆電動機產品整機與防爆電動機配件。更多防爆電機生產制造廠家、貨源產地、型號規格、技術參數、防護/防爆等級、轉速、功率、產品特性、結構圖紙、安裝尺寸、出廠價格以及常見問題故障、使用環境與產品選型配套等請聯系客服咨詢。
-
19
2024-01
BZDY系列隔爆型電動機BZDY型運行防爆電機(小盤)
防爆電機介紹 BZDY12/21/22-4小盤隔爆型錐形轉子三相異步電動機,主要型號規格有:BZDY12-4-0.4KW、BZDY21-4-0.8KW、BZDY22-4–1.5KW,產品主要用于防爆鋼絲繩式電動葫蘆小車運行機構電機。 防爆電機說明 產品名稱:BZDY12/21/22-4小盤隔爆型錐形轉子三相異步電動機...詳細
-
19
2024-01
BZDY隔爆型電動機BZDY大小車運行防爆電機(大盤)
防爆電機介紹 BZDY系列大盤隔爆型錐形轉子三相異步電動機主要型號有:BZDY112-4、BZDY121-4、BZDY(D)121-4、BZDY122-4、BZDY(D)122-4、BZDY131-4型,該系列電機常用于防爆單梁起重機大車運行、防爆電動葫蘆雙梁橋式起重機(防爆天車、吊機、行車)大小車運行機構配套使用。防爆電機說明產品名稱:BZDY12-4/31-4大盤隔爆型錐形轉子三相...詳細
-
19
2024-01
BZD系列隔爆型電動機BZD型起升單速防爆電機
防爆電機介紹 BZD系列隔爆型錐形轉子三相異步電動機是防爆電動葫蘆主起升用電動機,主要型號有:BZD21-4-0.8KW、BZD22-4-1.5KW、BZD31-4-3.0KW、BZD32-4-4.5KW、BZD41-4-7.5KW、BZD51-4-13KW、BZD52-4-18.5KW等,其主要用于0.5~32噸單速型防爆電動葫蘆主起升使用,并承接非標防爆電機的設計制造和安裝維修。防...詳細
-
19
2024-01
BZD/BZDY/BZDM隔爆型電動機BZD單速防爆電機
防爆電機介紹BZDⅠ、BZDYⅠ、BZDYⅡ、BZDMⅠ隔爆型錐形轉子三相異步電動機為隔爆型(Exd Ⅱ CT4Gb)、錐形轉子電動機(以下簡稱電動機),外殼防護等級為IP44/54,接線盒防護等級為IP54,冷卻方式為IC0041。本電動機符合GB3836.1-2010、GB3836.2-2010《爆炸性環境用防爆電氣設備隔爆型電氣設備“d”》的規定,制成隔爆型。防爆標志為EXd Ⅱ CT4Gb...詳細
-
18
2024-01
BZDY隔爆型錐形轉子電動機(一機雙速防爆電機小盤)
防爆電機介紹 BZDY系列小盤隔爆型錐形轉子三相異步電動機為防爆電動葫蘆運行一機雙速電動機,主要型號有:BZDY12-4-0.4、BZDY21-4-0.8、BZDY22-4-1.5KW型,(主要用于660V、1140V、380V/660V、660V/1140V電壓,一機雙速,帶溫控,帶加熱等要求的防爆電動葫蘆運行電機 )。防爆電機說明產品名稱:BZDY系列隔爆型錐形轉子三相異步電動機(...詳細
-
18
2024-01
BZDS(1)隔爆型錐形轉子三相異步電動機(雙速防爆電機)
防爆電機介紹 BZDS1系列隔爆雙速型錐形轉子三相異步電動機為防爆電動葫蘆主起升雙速電動機,主要型號有:BZDS1-0.2/0.8、BZDS1-0.2/1.5、BZDS1-0.4/3.0、BZDS1-0.4/4.5、BZDS1-0.8/7.5、BZDS1-1.5/13KW等,該電機結構形式為子母式大小電機,區別于一機雙速主起升電動機。防爆電機說明產品名稱:BZDS(1)雙速隔爆型錐形轉...詳細




















