Product Series
推薦產品
河南華東起重機械設備公司
服務熱線:400 086 9590
公司:河南華東起重機械設備有限公司
聯系人:賈經理
聯系電話:13903802779
地址:河南新鄉市封丘縣起重機工業園區
當前位置: 起重機 > 起重機文章
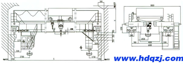
QD型75/20噸電動雙梁橋式起重機技術參數表
時間:2024-04-15來源:起重機廠家瀏覽次數:1
QD型75/20噸電動雙梁橋式起重機方案圖

QD型75/20噸電動雙梁橋式起重機技術規格參數:
| 工作級別 | A5 | A6 | ||||||||||||||
| 跨度 | m | 13.5 | 16.5 | 19.5 | 22.5 | 25.5 | 28.5 | 31.5 | 13.5 | 16.5 | 19.5 | 22.5 | 25.5 | 28.5 | 31.5 | |
| 超重機總量 | t | 65 | 69.4 | 75.6 | 82.5 | 90 | 97.4 | 107 | 66.1 | 70.5 | 76.8 | 83.6 | 90.9 | 98.2 | 107.8 | |
| 輪壓 | KN | 328 | 342 | 357 | 370 | 386 | 399 | 417 | 332 | 345 | 360 | 374 | 388 | 402 | 419 | |
| 起升高度 | m | 20/21 | 20/21 | |||||||||||||
| 速度 | 起重機運行 | m/min | 66.7 | 67.3 67.2 | ||||||||||||
| 小車運行 | 38 | 38 | ||||||||||||||
| 主起升 | 5.5 | 6.8 | ||||||||||||||
| 副起升 | 9.2 | 9.2 | ||||||||||||||
| 電動機 | 起重機運行 | YZR180L-6.2x17kw YZR200L-6.2x26kw | YZR200L-6.2x22kw YZR225M-6.2x30kw | |||||||||||||
| 小車運行 | YZR160L-6 13KW | YZR160L-6 13kw | ||||||||||||||
| 起升 | YZR315M-10 85kw | YZR355M-10 90kw | ||||||||||||||
| 副起升 | YZR250M1-8 35kw | YZR250M1-8 35kw | ||||||||||||||
| 主要尺寸 | H | mm | 3751 | 3753 | 3757 | 3757 | 3759 | 3761 | 3765 | 3751 | 3753 | 3757 | 3757 | 3759 | 3761 | 3765 |
H3 | 734 | 732 | 728 | 728 | 726 | 724 | 720 | 734 | 732 | 728 | 728 | 726 | 724 | 720 | ||
F | 0 | 2 | 96 | 96 | 188 | 290 | 394 | 0 | 2 | 96 | 96 | 188 | 290 | 394 | ||
QU80 QU100 QU120 | ||||||||||||||||




















