Product Series
推薦產品
河南華東起重機械設備公司
服務熱線:400 086 9590
公司:河南華東起重機械設備有限公司
聯系人:賈經理
聯系電話:13903802779
地址:河南新鄉市封丘縣起重機工業園區
當前位置: 起重機 > 起重機文章
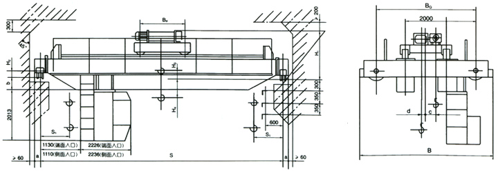
16/3噸葫蘆雙橋式起重機技術參數16/3噸電動葫蘆雙梁起重機參數表
時間:2024-01-18來源:起重機廠家瀏覽次數:1
葫蘆雙橋式起重機是指電動葫蘆雙梁橋式起重機,該起重機是雙梁形式起重機,常用于起升噸位不大的場合,小編為大家介紹下16/3噸葫蘆雙技術參數。
葫蘆雙起重機產品圖片
葫蘆雙起重機產品結構圖
16/3噸葫蘆雙起重機產品技術參數表:
| 額定起重量Fixed litfing weight | t | 16/3噸電動葫蘆雙梁橋式起重機 | ||||||||||
| 操縱形式operation type | 地面操縱From floor,操縱室操縱Clntrol driver room | |||||||||||
| 速度Speed | 主鉤起升Primary hook lift | m/min | 3.5 | |||||||||
| 副鉤起升Secondary hook litf | 8 | |||||||||||
| 小車運行handcart travel | 20 | |||||||||||
| 大車運行cart travel | 地面Floor | 20;30 | ||||||||||
| 操縱室Driver Room | 30;45;60 | |||||||||||
| 電動機Motor | 主鉤起升Primary hook lift | 型號Type | ZD151-4/13 | |||||||||
| 副鉤起升Secondary hook lift | ZD141-4/7.5 | |||||||||||
| 小車運行handcart travel | ZDY22-4/1.5×2 | |||||||||||
| 大車運行cart travel | 地面Floor | ZDY131-4/3×2 | ||||||||||
| 操縱室Driver Room | ZDR112L2-4/3×2 | |||||||||||
| 電動葫蘆Electric Hoist | 型號Type | CD1;MD1 | ||||||||||
| 起升高度Lifting Height | m | 9;12;18/6;9;12;18;24;30 | ||||||||||
| 工作制度Working System | A5 JC=25% | |||||||||||
| 電源Power Supply | 3-PhaseA.C 三相交流;50Hz;380V | |||||||||||
| 薦用鋼軌Steel Track | kg/m | 43 | ||||||||||
| 跨度Span | m | 7.5 | 10.5 | 13.5 | 16.5 | 19.5 | 22.5 | 25.5 | 28.5 | 31.5 | ||
| 最大輪壓Max.Wheel Pressure | 13.1 | 13.5 | 14.0 | 14.6 | 15.3 | 16.1 | 16.9 | 17.7 | 18.5 | |||
| 自重weight | 地面操縱Floor | t | 10.8 | 11.5 | 15.5 | 16.8 | 17.7 | 18.7 | 20.0 | 24.4 | 26.9 | |
| 操縱室開式Driver Room Open Type | 11.3 | 12.0 | 16.0 | 17.4 | 18.2 | 19.3 | 20.5 | 25.0 | 27.5 | |||
| 操縱室閉式Driver | 11.4 | 12.1 | 16.1 | 17.5 | 18.3 | 19.4 | 20.6 | 25.1 | 27.6 | |||
|
基 本 尺 寸 Basic size |
B | mm | 5840 | |||||||||
| BQ | 4800 | |||||||||||
| BX | 1500(H=9,12);2000(H=18,24)2500(H=30) | |||||||||||
| H1 | 1895 | |||||||||||
| H2 | 170 | |||||||||||
| H3 | 82 | |||||||||||
| H4 | 525 | |||||||||||
| a | 160 | |||||||||||
| b | 20 | 130 | 96 | 196 | 296 | 396 | 546 | 646 | 746 | |||
| c | 500 | |||||||||||
| d | 150 | |||||||||||
| S1 | 1600(H=9,12);1850(H=18,24);2100(H=30) | |||||||||||
-
13
2025-06
雙梁起重機鋼柱毀壞方式及根本原因
我們知道鋼柱是起重設備要構成部分,它影響了起重設備可以安裝多少的承凈重,那麼一般雙梁起重機鋼柱會出現哪些的常見故障了,它的毀壞方式有什么? 1.表層浸蝕(釋意:指爛掉.消退.腐蝕等) 起重設備的作業艱苦環境。它一般在含強酸強堿(acid-base)浸蝕(釋意:指爛掉.消退.腐蝕等)氣體煙塵(形狀:固態顆粒)中工作中。除此之外,操作流程中的撞擊和防銹處理鍍層的當然脆化和脫落使外表失去了維護。除此...詳細
-
13
2025-06
雙梁起重機實際怎么運行?雙梁起重機造成噪聲的原因是什么呢?
雙梁起重機實際怎么運行? 雙梁起重機的使用普遍,它的運營主要是由大貨車的豎向、小轎車的橫著及起重吊鉤的左右三種健身運動構成的。可是,您掌握雙梁起重機實際怎么運行嗎? 1.雙梁起重機起吊系統軟件的傳動系統:起吊結構的能源來源于,是由電機傳出,經齒輪聯軸器、賠償軸、制動系統輪連軸器,將驅動力傳送給減速機的快速軸承端蓋,并經減速機把電機的高轉速減少到所須要的轉速以后,由減速機低速檔軸輸出,經鋼絲繩卷筒...詳細
-
13
2025-06
雙梁起重機基本檢查有哪些常見問題呢?雙梁起重機起始扭晃的緣故及解決方法
雙梁起重機基本檢查有哪些常見問題呢? 雙梁起重機日常基本檢查有哪些常見問題呢?今日就會有起重機廠家工作員給顧客小伙伴們解讀一下,期待大家的簡介能夠 更快的幫助你們。 1.起吊時產生行程開關.高寬比限位開關.各連鎖加盟培訓機構的功能一切正常.可以信賴 2.關鍵零部件規定:張口規格低于原大小的15%,低于10%的扭曲形變;板鉤軸套損壞低于原大小的50%,板鉤軸頸在損壞應低于5%,無脫落.焊補.毛邊...詳細
-
12
2025-06
雙梁架橋機集電器拆換的常用解決方法、雙梁起重機中聯軸器的**大檢查標準及標準
雙梁架橋機集電器拆換的常用解決方法 橋式設備是將現澆箱梁置放在預制構件墩上的設備。橋式架橋機歸屬于起重設備類型,由于其具體功用是提高梁,隨后將其運送到該部位之后將其學會放下。 橋式架橋機與架橋機有較大不一樣。需要的前提是嚴格的,而且主梁或豎向上面有健身運動。公路橋梁修建設備分成道路公路橋梁,傳統式鐵路隧道和貨物運輸鐵路隧道。 雙梁架橋機一般由三個關鍵部位構成:機械設備,電氣設備和金屬構件。...詳細
-
12
2025-06
雙梁起重機實際操作時有什么保險裝置?
雙梁起重機實際操作時有什么保險裝置? 為了更好地保證起重吊裝工作可以信賴,起重設備配有較健全的保險裝置,便于在出乎意料的情形下,具有維護零件或提示使用員工留意,進而帶來可靠防護功效。 1.液壓傳動系統中各調速閥:可控制回路中的非常髙壓,以預防液壓泵及電機的毀壞,并避免處在負載情況。 2.重臂起升保險裝置:當難測**事故產生,重臂起升液壓缸控制回路中的高壓膠管或輸油管崩裂或斷開時,液壓...詳細
-
10
2025-06
雙梁起重機用聯軸器**檢驗原理和規范、使用雙梁門式起重機前必須清楚地確定三個參數
雙梁起重機用聯軸器**檢驗原理和規范 雙梁起重機用聯軸器的**檢查原則和規范有哪些?今日有一位生產起重機械的技術員給客戶朋友講解。雙梁橋式起重機 1.雙梁起重機聯軸器檢驗的基本要求是用儀器測量時,各方面不得超出ji限。因為還采用聯軸器,一旦發現聯軸器的螺栓孔已經磨損且不能修理,必須及時報廢,或當雙梁起重機中聯軸器齒厚超過原齒厚15%-20%時,也應予以報廢。*好是當連接的任何部位出現了裂縫或斷裂...詳細




















