Product Series
推薦產品
河南華東起重機械設備公司
服務熱線:400 086 9590
公司:河南華東起重機械設備有限公司
聯系人:賈經理
聯系電話:13903802779
地址:河南新鄉市封丘縣起重機工業園區
當前位置: 起重機 > 起重機文章
1噸歐式單梁起重機參數表1噸歐式單梁行車航車吊車外形尺寸表
時間:2024-01-18來源:起重機廠家瀏覽次數:1
1噸歐式單梁起重機介紹
LDC型1噸歐式電動單梁橋式起重機(以下簡稱1噸歐式單梁起重機),1噸歐式電動單梁起重機與1噸歐式電動葫蘆配套使用,成為一種有軌運行的輕小型起重機。
歐式單梁橋式起重機是基于歐洲輕量化和模塊化設計理念以及先進生產制造工藝,在主梁上懸掛歐式電動葫蘆起升機構,可左右、上下、前后實現物料物體在立體空間搬運。
新中式起重機設計按照國際標準:DIN(德國)、FEM(歐洲)、ISO(國際),具有剛性強、自重輕、結構設計出眾等優點。
1噸歐式單梁起重機圖片
1噸歐式單梁起重機結構圖
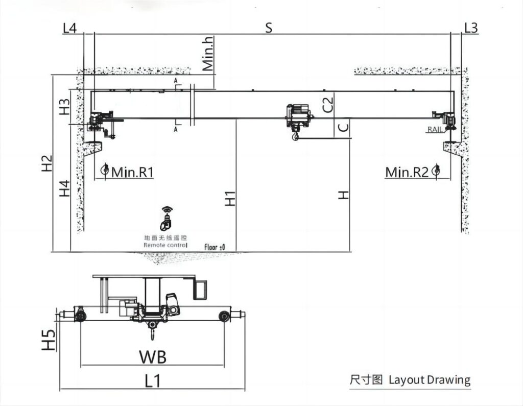
1噸歐式單梁起重機技術參數
起重量/工作級別SWL/Class 1t/A5
| 跨度Span | 5 | m | 7.5 | 10.5 | 13.5 | 16.5 | 19.5 | 22.5 | 25.5 | 28.5 | ||
|
基本參數 Basic Data |
整機自重 | Crane Weldt | t | 1.22 | 1.52 | 1.9 | 2.80 | 3.21 | 4.62 | 5.2 | 7.03 | |
| 小車自重 | Trolley Weigit | 0.20 | 0.20 | 0.20 | 0.20 | 0.20 | 0.20 | 0.20 | 0.20 | |||
| 最大輪壓 | Max.Wheel Load | kN | 87 | 生9 | 11.2 | 13.4 | 14.4 | 18.0 | 145 | 24.0 | ||
| 最小輪壓 | Min.Wheel Laad | 25 | 3.0 | 3.9 | 5.9 | 6.9 | 10.2 | 12 | 16.0 | |||
| 大車車輪數 | Cone Wheel Cy | PCS | 4 | 4 | 4 | 4 | 4 | 4 | 4 | 4 | ||
| 推薦軌道 | Crane Rail | P22 | P22 | P22 | P22 | P22 | P22 | P22 | P22 | |||
| 速度Speed | 超開速度 | Liting Speed | mymin | 5/0.8 | ||||||||
| 小車速度 | Trdiley Speed | 0-20 | ||||||||||
| 大車速度 | Bnidge 5peed | 0-32 | ||||||||||
| 電機功率 MetorPower | 起升電機 | Lifting Motor | kW | 2/0.25 | 2025 | 2/0.25 | 2/0.25 | 2/0.25 | 2/0.25 | 2.0.25 | 2.0.25 | |
| 小車電機 | Trolley Motar | 1×0.3 | 1×03 | 1×0.3 | 1×0.3 | 1×03 | 1×0.3 | 1×0.3 | 1×0.3 | |||
| 大車電機 | Bridge Motor | 2×0.3 | 2×0.3 | 2×0.3 | 2×0.3 | 2×0.3 | 2×0.3 | 2×0.3 | 2×0.65 | |||
| 整機功率 | Cane Pover | 29 | 29 | 2.9 | 2.9 | 2.9 | 2.9 | 2.9 | 3.6 | |||
| 主要尺寸MainDimension | 軌頂標高 | Top of Rail Height | H4 | mm | 9000(或根據用戶制定orspec fied by dierts | |||||||
| 安全凈空 | ap Oeaance | Mnh | 2200(JB/T1306-2008) | |||||||||
| C尺寸 | C dimension | C | 330-60 | |||||||||
| 吊鉤至起重 機頂高度 | Hook to Crane Top | C2 | 852 | 852 | 984 | 1104 | 1236 | 1423 | 1423 | 1543 | ||
| 軌通至起重 機頂高度 | Rail to CraneTφ | H3 | 600 | 600 | 600 | 600 | 600 | 600 | 600 | 800 | ||
| 起升高度 | Liting Height | H | 8748 | 8748 | 8616 | 8496 | 8364 | 8177 | 8177 | 8257 | ||
| 屋質最低點 高度 | Ceiing to Floor Height | H2 | 980 | 9800 | 9800 | 980 | 9800 | 9800 | 9800 | 10000 | ||
| 梁底高度 | Gider Bottom Heiglt | H1 | 9168 | 9168 | 9036 | 8916 | 8784 | 8597 | 8597 | 8677 | ||
| 吊鉤左極限 | Hcok AprachL | MinR1 | 440 | 440 | 520 | 540 | 50 | 650 | 650 | 660 | ||
| 吊鉤右極限 | Hook AppoachR | Min R2 | 400 | 400 | 480 | 480 | 510 | 510 | 510 | 520 | ||
| 軌道中心至 左側填 | Rail Center to Left Wall | L4 | 206 | 206 | 206 | 206 | 206 | 210 | 210 | 246 | ||
| 軌道中心至 右側填 | Rail Center to Rigt Wall | L3 | 206 | 206 | 206 | 206 | 206 | 210 | 210 | 246 | ||
| 大車輪距 | Bridge Wheel Base | WB | 1800 | 1800 | 1800 | 2200 | 2700 | 3100 | 3800 | 4500 | ||
| 小車基距 | Trdley Rail Guag | Lxc | / | / | / | / | / | / | / | / | ||
| 頌沖器離度 | Buffer Heigit | H5 | 100 | 100 | 100 | 100 | 100 | 100 | 100 | 150 | ||
| 整機查唐 | Crane Width | L1 | 2126 | 2126 | 2126 | 2496 | 2996 | 3456 | 4156 | 5010 | ||
| 水平側向力 | Guiding (contict)Face | 5 | kN | 3.4 | 3.9 | 4.4 | 4.9 | 5 | 5.90 | 6.50 | 7.00 | |
| 緩沖力 | Buffer Foce | Bf | kN | 5 | 7 | 9 | 11 | 13 | 15.0 | 180 | 200 | |
Note:Ahave d at was hased on9m(topof ai)and forrelering anly.Pleasecantact usif any question.
-
27
2025-04
歐洲單梁起重機的工作原理、歐式單梁起重機有哪三點突出優勢?
歐洲單梁起重機的工作原理歐式單梁起重機是變形橋式起重機的一種,主要用于戶外貨場、堆場貨物和散貨的裝卸。歐洲單梁起重機的金屬結構似門式框架。主梁下安裝兩條腿,可直接在地面軌道上行走。主梁的兩端可以有懸垂的懸臂梁。歐式單梁起重機因其現場利用率高、作業范圍廣、適應性廣、通用性強而被廣泛應用于港口貨場。歐式單梁起重機工作原理:歐式單梁起重機由升降機構、小車運行機構和起重機運行機構組成。這通常是正常的操作步...詳細
-
06
2025-03
如何節約歐式單梁起重機的維修成本、歐式單梁起重機金屬結構的注意事項
如何節約歐式單梁起重機的維修成本歐式單梁起重機是一種特殊的機械設備。為了保證其正常性能,通常需要對其進行維修或保養。河南鴻升起重機廠家可以認為這是一個相當大的成本。維修可以有效節約維修成本。1.確定維護周期。設備的維護周期可以長也可以短。但是,有些單位或個人并不完全相信工廠信息的描述等。而且新設備很快就會修好,完全忽略了設備的具體用途。準確地說,每個零件使用的不同工況和行程長度可以作為判斷其維修周...詳細
-
27
2025-02
歐式單梁起重機作業原理是什么?電動單梁起重機如何選擇工作級別?
歐式單梁起重機作業原理是什么?歐式單梁起重機結構簡單,配套和工藝**,控制線大量減少,免維護,故障、節能、提高生產力等特點,比國家標準起重機節省35%以上,原材料節省40%左右,不需要維護的話,生產率平均減少30%,設備管理費用減少45%。今天小編就來和大家介紹一下歐式單梁起重機作業原理是什么?1.起重機的組成部分主要是裝有大車運行組織的橋、升降機、裝有小車運行組織的起重機車、電氣設備、控制組織等...詳細
-
17
2024-12
歐式單梁起重機起吊機構的架構設計和零配件采用
一方面是由于歐式單梁起重機占有空間小,另一方面它的使用期限成、檢修低成本,因此歐式單梁起重機變成很受歡迎的機器設備,獲得了愈來愈多客戶的認同。自然要獲得理想的應用實際效果,針對它的起吊機構也是有相對應的規定。 為了更好地達到歐式單梁起重機在區域上的優點,其起吊機構應取用軟性推動系統軟件,那樣就可以降低設備傳動系統全過程中熱應力的造成,與此同時有利于傳動系統效果的提升,對降低起重設備電機額定功率的...詳細
-
16
2024-09
歐式單梁起重機為什么這么受歡迎?是性價比!
歐式單梁起重機一直是用戶青睞的起重設備,并且是使用率極高的起重機。歐式單梁起重機這么受歡迎的原因是什么?一、歐式單梁起重機,性能優越。歐式單梁起重機采用獨特的設計理念,具有尺寸小,重量輕,輪壓小的特點,實現了在0—45m/min之間變頻無極調速。與傳統起重機相比,吊鉤*墻面的蕞小距離比較小,凈空高度比較低,歐式單梁起重機更能貼近前面作業,起升高度更高,實際增加了現有廠房的**工作空間。可適用于倉庫...詳細
-
12
2024-09
如何選擇適合自己的歐式單梁起重機?
歐式單梁起重機是一種常見的起重設備,根據其工作原理、結構和起重性能特點的不同,可分為多個型號。下面將結合歐式單梁起重機的型號,進一步介紹其起重性能特點、工作級別和適用環境。LD型歐式單梁起重機LD型歐式單梁起重機是一種輕型起重設備,主要用于車間、倉庫等場所的物料搬運。其起重能力為1-10噸,工作級別為A3-A4級,起升高度為6-30米。此款起重機結構簡單,安裝方便,使用靈活。LX型歐式單梁起重機L...詳細




















