推薦產品
河南華東起重機械設備公司
服務熱線:400 086 9590
公司:河南華東起重機械設備有限公司
聯系人:賈經理
聯系電話:13903802779
地址:河南新鄉市封丘縣起重機工業園區
當前位置: 起重機 > 技術資料 > 起重機百科
LDHC型驅動裝置LDHC型立式變速箱減速機
時間:2024-01-19來源:起重減速機廠家瀏覽次數:1
驅動裝置介紹
LDHC型驅動裝置是適用于10-20噸門式、半門式起重機??膳涮资褂肸DY(D)系列0.8KW、1.5KW錐形轉子制動電機或ZDR系列1.5KW、2.1KW、3.0KW錐形繞線轉子制動電機和實心轉子制動(軟起動) 電機等。該裝置的特點是能夠充分利用場地空間,配套電機本身還帶有制動裝置,是為客戶特殊場地、特殊要求而設計的理想機型。具有可選速度范圍寬,起動轉矩大,可以頻繁起動,運行速度平穩,使用安全可靠,安裝維修方便,美觀大方等優點。
驅動裝置說明
產品名稱:LDHC型驅動裝置
別名別稱:變速箱/變速器
型號規格:LDHC型
所屬類別:驅動裝置
產品產地:河南新鄉長垣
廠家品牌:鴻起
是否定制:是
是否現貨:部分現貨
生產周期:3~10天
供貨范圍:全國
送達方式:自提或物流托運
是否安裝:安裝另議
售后方式:一年保修
驅動裝置圖片

驅動裝置參數
| 可供選用驅動速度表 | |||||
| 速度 | 20米/分 | 30米/分 | 45米/分 | 60米/分 | 75米/分 |
| 總速比 | 75.15 | 51.33 | 33.91 | 25.79 | 20.79 |
| 按齒圈M7×Z48、車輪直徑400設計 | |||||
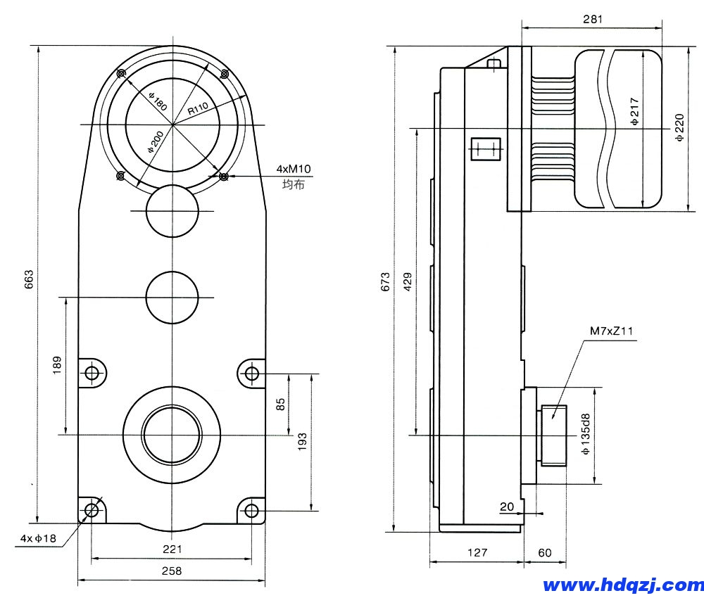
LDHC型驅動裝置安裝尺寸圖 ![]() | |||||
驅動裝置廠家
LDHC型驅動裝置貨源產地生產廠家還為各地起重廠商提供0.5~20噸電動單雙梁橋式起重機LDA型、LDH(M)型、LBAB(M)型驅動裝置;1~16噸鋼絲繩電動葫蘆減速器;門式/半門式起重機(龍門吊)LDAC1(M)型、LDHC(M)型驅動裝置;電動葫蘆跑車723(M)、727(M)型變速箱以及各種齒輪、齒軸件、外殼、軸承密封件等配件產品。更多驅動裝置的設計制造安裝規范標準、結構形式、材質工藝、工作原理、產品特性、型號規格、技術參數、外形尺寸、安裝使用注意事項說明、常見問題故障排除與維護保養重點以及產品價格等請聯系客服咨詢。
-
07
2025-07
10噸電動葫蘆減速機損壞是什么原因?電動葫蘆有電轉不動的原因
10噸電動葫蘆減速機損壞是什么原因? 鏈條電動葫蘆在工業生產中比較常見,有的用戶購買電動葫蘆后,發現10噸電動葫蘆減速機出現了損壞,那么這是什么原因呢?下面我們就來詳細了解一下: 環鏈電動葫蘆在使用的時候出現減速機損壞的原因可能是用戶出現了使用不當造成的,在使用電動葫蘆的時候,操作人員沒有嚴格按照說明書的要求進行操作,在使用的過程中,可能出現了超負載使用、過度使用等不正確的操作方法,...詳細
-
07
2025-07
電動葫蘆變速箱有異響怎么辦?10噸電動葫蘆減速機外殼破裂原因
電動葫蘆變速箱有異響怎么辦? 行吊電動葫蘆購買后,在使用的過程中,有的用戶反映會遇到電動葫蘆變速箱有異響的情況,那么,當電動葫蘆變速箱出現異響的時候,我們應該怎么處理呢? 環鏈電動葫蘆在使用過程中,如果我們發現變速箱出現了異響的情況,那么我們應該立即停止使用,并進行檢查。我們需要先觀察一下變速箱外觀是不是有損壞的情況,如果有,我們需要及時進行維修或者是更換新的零部件。還有,我們...詳細
-
07
2025-07
電動葫蘆鋼絲繩總是卡住是怎么回事?10噸電動葫蘆減速機怎么更換?
電動葫蘆鋼絲繩總是卡住是怎么回事? 電動葫蘆是比較常見的一種起重設備,廣泛應用在工業生產中。有的時候,我們在使用過程中會遇到電動葫蘆鋼絲繩總是卡住的情況,給工作帶來了困擾。那么,電動葫蘆鋼絲繩總是卡住是怎么回事呢? 鋼絲繩電動葫蘆是通過電機驅動鋼絲繩的升降運動,從而實現貨物的上升和下降等操作。鋼絲繩是電動葫蘆的重要組成部分,承擔著承載貨物的重量。當鋼絲繩卡住的時候,主要是下面幾個...詳細
-
19
2025-06
龍門吊減速機齒輪失效該如何處理、龍門吊是怎么組成的
龍門吊減速機齒輪失效該如何處理 龍門吊租賃過程中可能會遇到很多故障,比如減速機齒輪失效,那么遇到這種情況應該怎么辦呢? 減速器是龍門吊的重要傳動裝置。工作時,減速器齒輪可調節電機以適當的速度運行,產生較大的轉矩。然而,在扭矩傳動過程中,齒輪容易出現變形、斷裂、疲勞點蝕等故障。造成上述故障的原因有:齒輪疲勞開裂后,過大的載荷會導致齒輪斷裂;過大的載荷會導致齒廓變形;牙齒表面污垢過多,清洗...詳細
-
18
2025-06
龍門吊減速器傳動齒輪失效的方式及原因、龍門吊減速機齒輪失效該如何處理
龍門吊減速器傳動齒輪失效的方式及原因 由于龍門吊減速器的傳動齒輪長期運行,傳動齒輪會失效,即在負荷作用下,傳動齒輪會損壞或**變形。傳動齒輪的變形嚴重影響傳動系統的質量,會使傳動齒輪嚴重缺乏z業能力。減速機常見的失效方式有:疲勞縫隙腐蝕、軸頸損傷、軸頸膠合板、塑性變形和傳動齒輪斷裂?! ?. 疲勞縫隙腐蝕。在減速器傳動齒輪中,傳動齒輪*常見的失效方式是疲勞裂紋腐蝕。說白了,縫隙腐蝕就是...詳細
-
17
2025-06
門式起重機的電氣設備的維護和修理、門式起重機電機和減速機的維護
門式起重機的電氣設備的維護和修理 1、1天的維護。日常維護由吊車司機在日班期間進行。在維修過程中必須切斷起重機。保養的主要內容有:清除電氣設備外的灰塵、污物和油漬;用于檢測電機、電磁鐵、控制器觸點、電阻器的發熱;檢查軸承有無漏油;主設備接線接頭是否緊固。記錄所有觀察到的情況,供電業工作人員參考?! ?、兩周的維護。由電氣人員進行,司機參與。維護內容如下:清除電氣設備內部的灰塵和污物;觀察電機和滑...詳細





















